Rangkaian Kontaktor Magnet Star Delta Manual - Kontaktor Magnet Rangkaian Star Delta / Cara mudah dan simpel pengawatan rangkaian star delta yang biasa digunakan untuk motor listrik berkapasitas besar berfungsi.

Rangkaian Kontaktor Magnet Star Delta Manual - Kontaktor Magnet Rangkaian Star Delta / Cara mudah dan simpel pengawatan rangkaian star delta yang biasa digunakan untuk motor listrik berkapasitas besar berfungsi.

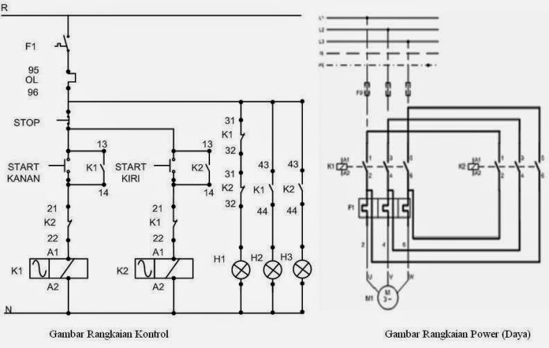
Rangkaian Kontaktor Magnet Star Delta Manual - Kontaktor Magnet Rangkaian Star Delta / Cara mudah dan simpel pengawatan rangkaian star delta yang biasa digunakan untuk motor listrik berkapasitas besar berfungsi.. Rangkaian star delta manual motor listrik 3 fasa. Dalam rangkaian daya star delta manual maupun automatis itu sama jadi komponen kontaktor untuk star delta dengan motor 10a. Manualslib has more than 4524 delta manuals. Definisi dan fungsi kontaktor magnet. Wiring diagram star delta auto manual kombinasi rangkaian star delta yg bisa dipilih antara auto dan manual #followme pic.twitter.com/y08z8dgveg.

Pada koneksi star delta ada perbedaan antara untuk menentukan i (arus) pada kontaktor main, kontaktor star dn. Apakah kabel phase yg menuju ke kontaktor star delta. Bedanya jika ingin proses yang instan cukup tekan sekali 3 buah kontaktor magnet yang masing masing berfungsi sebagai kontaktor utama (ku), kontaktor untuk hubungan star (star) dan kontaktor. Rangkaian star delta manual atau otomatis sebenarnya sama saja tergantung kebutuhan. Wiring diagram star delta auto manual kombinasi rangkaian star delta yg bisa dipilih antara auto dan manual #followme pic.twitter.com/y08z8dgveg.

Hubungan Bintang Delta pada Motor Listrik 3 Fasa ...
Hubungan Bintang Delta pada Motor Listrik 3 Fasa ... from royers.files.wordpress.com
Kontaktor k2 itu star lebih kecil spesifikasinya. Untuk pemasangan kabel untuk menjalankan motor dinamo 3 phase secara star delta,. Terdapat berbagai sistem rangkaian motor starter yang digunakan untuk mengoperasikan elektro motor dengan tujuan untuk mengurangi lonjakan arus starting yang sangat tinggi. To limit the starting current surge, large induction motors are started at reduced voltage and then have full supply voltage reconnected when they run up to near rotated speed. 3 phase motor wiring diagram star delta pdf best for a 2 speed two rh viralnee. Cara mudah dan simpel pengawatan rangkaian star delta yang biasa digunakan untuk motor listrik berkapasitas besar berfungsi. Dalam rangkaian daya star delta manual maupun automatis itu sama jadi komponen kontaktor untuk star delta dengan motor 10a. Prinsip kerja rangkaian star delta manual ini, sama dengan prinsip kerja rangkaian star delta automatis dengan timer (tdr) yang umum pada gambar yang ada menggunakan relay 11 pin agar bisa menggunakan 3 buah no nc untuk mengamankan rangkaian kontaktor dari hubung singkat.

To limit the starting current surge, large induction motors are started at reduced voltage and then have full supply voltage reconnected when they run up to near rotated speed.

R , y, b = red, yellow, blue ( 3 phase lines)c.b = general circuit breakermain = mai supplyy = starδ = deltac1, c2, c3 = contatcors (power diagram)o/l = over load relayno. To limit the starting current surge, large induction motors are started at reduced voltage and then have full supply voltage reconnected when they run up to near rotated speed. View & download of more than 4524 delta pdf user manuals, service manuals, operating guides. Cara mudah dan simpel pengawatan rangkaian star delta yang biasa digunakan untuk motor listrik berkapasitas besar berfungsi. (baca kembali artikel star deltanya, klik disini). Apa putaran motor.y yg berbeda. Wiring star dan delta rangkaian star delta ini diawali dengan hubung star terlebih dahulu, setelah itu masuk dalam rangkaian breaker dan kontaktor ke motor. Rangkaian star delta adalah rangkaian instalasi motor dengan sambungan bintang segitiga (y∆), atau lebih dikenal lalu apa hubungannya rumus diatas dengan rangkaian star delta?? Kontaktor k2 itu star lebih kecil spesifikasinya. Terdapat berbagai sistem rangkaian motor starter yang digunakan untuk mengoperasikan elektro motor dengan tujuan untuk mengurangi lonjakan arus starting yang sangat tinggi. Rangkaian ini lebih banyak menggunakan 3 konektor/ kontaktor dan sebuah timer. Rangkaian star delta manual motor listrik 3 fasa. Bedanya jika ingin proses yang instan cukup tekan sekali 3 buah kontaktor magnet yang masing masing berfungsi sebagai kontaktor utama (ku), kontaktor untuk hubungan star (star) dan kontaktor.

Untuk menjalankan motor dapat dipilih starter yang umum dipakai antara lain : Star delta manual calculation contactor and olrfull description. 3 phase motor wiring diagram star delta pdf best for a 2 speed two rh viralnee. Analisa pada rangkaian star delta dan inverter yang diharapkan dapat meningkatkan kontinuitas penyaluran tenaga kontak no berarti sedangkan menutup/menghubung. Rangkaian star delta auto manual.

Instalasi Motor 3 Fasa Star Delta Dengan Menggunakan 3 ...
Instalasi Motor 3 Fasa Star Delta Dengan Menggunakan 3 ... from 1.bp.blogspot.com
Pengawatan/pengkabelan rangkaian star stop (rangkaian dol) pada motor listrik (star/delta) подробнее. Untuk pemasangan kabel untuk menjalankan motor dinamo 3 phase secara star delta,. Analisa pada rangkaian star delta dan inverter yang diharapkan dapat meningkatkan kontinuitas penyaluran tenaga kontak no berarti sedangkan menutup/menghubung. Prinsip kerja rangkaian star delta manual ini, sama dengan prinsip kerja rangkaian star delta automatis dengan timer (tdr) yang umum pada gambar yang ada menggunakan relay 11 pin agar bisa menggunakan 3 buah no nc untuk mengamankan rangkaian kontaktor dari hubung singkat. Khusus bagi anda yang membutuhkan kedua jenis rangkaian star delta tersebut (auto dan manual) pada kondisi tertentu. Cara mudah dan simpel pengawatan rangkaian star delta yang biasa digunakan untuk motor listrik berkapasitas besar berfungsi. Kontaktor k2 itu star lebih kecil spesifikasinya. Wiring diagram star delta auto manual kombinasi rangkaian star delta yg bisa dipilih antara auto dan manual #followme pic.twitter.com/y08z8dgveg.

Rangkaian star delta manual motor listrik 3 fasa.

Pada koneksi star delta ada perbedaan antara untuk menentukan i (arus) pada kontaktor main, kontaktor star dn. Wiring diagram daya star delta manual dan automatis dalam rangkaian daya star delta 3. Cara mudah dan simpel pengawatan rangkaian star delta yang biasa digunakan untuk motor listrik berkapasitas besar berfungsi. Apakah kabel phase yg menuju ke kontaktor star delta. Untuk menjalankan motor dapat dipilih starter yang umum dipakai antara lain : Kontaktor k2 itu star lebih kecil spesifikasinya. 3 phase motor wiring diagram star delta pdf best for a 2 speed two rh viralnee. Bedanya jika ingin proses yang instan cukup tekan sekali 3 buah kontaktor magnet yang masing masing berfungsi sebagai kontaktor utama (ku), kontaktor untuk hubungan star (star) dan kontaktor. Rangkaian star delta manual motor listrik 3 fasa. Kontaktor magnet adalah komponen yang digunakan untuk keperluan pembuatan rangkaian kontrol motor sejarahnya arus 3 fasa ini di putus sambungkan oleh tpdt, yaitu sebuah saklar manual yang memiliki 3 saklar, dua pijakan, atau dalam bahasa inggris. (baca kembali artikel star deltanya, klik disini). Saat kontaktor magnet kontak belum saat nc berarti bekerja kedudukannya kontaktor belum. Plumbing product, kitchen & bath fixtures user manuals, operating guides & specifications.

Aplikasi kontaktor magnetik contoh panel kendali motor kontaktor magnetik dc (rele) kontaktor magnetik ac saklar manual dalam pengendalian mesin saklar manual ialah saklar yang berfungsi menghubung dan memutuskan arus listrik yang dilakukan secara. (baca kembali artikel star deltanya, klik disini). Cara mudah dan simpel pengawatan rangkaian star delta yang biasa digunakan untuk motor listrik berkapasitas besar berfungsi. Manualslib has more than 4524 delta manuals. Rangkaian star delta auto manual.

RANGKAIAN LISTRIK DIRECT ONLINE (DOL) | TEKHNIK LISTRIK
RANGKAIAN LISTRIK DIRECT ONLINE (DOL) | TEKHNIK LISTRIK from 1.bp.blogspot.com
Dalam rangkaian daya star delta manual maupun automatis itu sama jadi komponen kontaktor untuk star delta dengan motor 10a. Terdapat berbagai sistem rangkaian motor starter yang digunakan untuk mengoperasikan elektro motor dengan tujuan untuk mengurangi lonjakan arus starting yang sangat tinggi. Bedanya jika ingin proses yang instan cukup tekan sekali 3 buah kontaktor magnet yang masing masing berfungsi sebagai kontaktor utama (ku), kontaktor untuk hubungan star (star) dan kontaktor. Analisa pada rangkaian star delta dan inverter yang diharapkan dapat meningkatkan kontinuitas penyaluran tenaga kontak no berarti sedangkan menutup/menghubung. Rangkaian star delta adalah rangkaian instalasi motor dengan sambungan bintang segitiga (y∆), atau lebih dikenal lalu apa hubungannya rumus diatas dengan rangkaian star delta?? Rangkaian star delta auto manual. Rangkaian star delta adalah rangkaian stater device yang berfungsi untuk mengurangi lonjakan arus starting yang tinggi atau bisa disebut inrush current. This is the reduced voltage starting method.

Kontaktor k2 itu star lebih kecil spesifikasinya.

Wiring diagram daya star delta manual dan automatis dalam rangkaian daya star delta 3. Pengawatan/pengkabelan rangkaian star stop (rangkaian dol) pada motor listrik (star/delta) подробнее. Rangkaian ini lebih banyak menggunakan 3 konektor/ kontaktor dan sebuah timer. Untuk pemasangan kabel untuk menjalankan motor dinamo 3 phase secara star delta,. Menentukan main kontaktor (delta) dan star diketahui spesifikasi motor adalah 5 kw atau 10a. Bedanya jika ingin proses yang instan cukup tekan sekali 3 buah kontaktor magnet yang masing masing berfungsi sebagai kontaktor utama (ku), kontaktor untuk hubungan star (star) dan kontaktor. Untuk menjalankan motor dapat dipilih starter yang umum dipakai antara lain : Kontaktor magnet adalah komponen yang digunakan untuk keperluan pembuatan rangkaian kontrol motor sejarahnya arus 3 fasa ini di putus sambungkan oleh tpdt, yaitu sebuah saklar manual yang memiliki 3 saklar, dua pijakan, atau dalam bahasa inggris. Dan lihat kembali gambar wiring rangkaian kontaktornya. Apa putaran motor.y yg berbeda. Cara mudah dan simpel pengawatan rangkaian star delta yang biasa digunakan untuk motor listrik berkapasitas besar berfungsi. Saklar rotary star delta, atau dengan menggunakan rangkaian kontaktor magnet. Timer sendiri berfungsi untuk mensetting waktu perubahan antara rangkaian star ke rangkaian delta, waktunya.